产品介绍 N2600系列数字源表是NGI专门针对要求紧密结合源和测量的测试场景而研发的国产化源表。该系列产品集5台仪器(电压源、电流源、IVR测量)功能于一体,能输出超高精度的电压源和电流源并提供测量功能,测量分辨率达6位半;N2600系列产品内置多种功能软件,具备电源输出精度高、响应速度快、信号纯净、纹波噪声低等优点,可广泛适用于通信、半导体、计算机、汽车和医疗行业的组件、模块等产品的特性分析和生产测试场景。 性能特点: ■ 集5台仪器功能于一体(电压源、电流源、IVR测量) ■ 测量范围广,200V至1μV、1A至10pA、200MΩ至10μΩ ■ 支持更高电压、更大电流、脉冲电流定制 ■ 最大采样速率100ksps ■ 源和阱(4象限)工作 ■ 基本精度可达100μV、600 pA、300μΩ ■ 支持2线、 4线和6线制电阻测量 ■ 支持SCPI协议,兼容原用SMU指令(例如2400) ■ 免费提供标准PC控制软件 ■ 支持线性阶梯扫描、对数阶梯扫描模式 ■ 标准LAN、RS232 通信接口 ■ 4.3英寸高清LCD屏,操作界面简洁大方,方便易用 ■ 2U/ ½19英寸体积机箱,轻量化、便携式设计 ■ 前置USB口,支持U盘快速截屏 N2600系列 选型表
功能与优势 集5种仪器功能于一体(IV源、IVR测量) N2600系列源表采用标准½19英寸2U机箱,在紧凑的单台仪器内集成源和测量电路,这相对于传统单独电源和测量仪器构成的测试系统,N2600系列数字源表极大地缩短了测试系统的开发、建立和维护的时间,同时节省测试架或测试台的宝贵“空间”,降低购买系统的整体成本。 N2600系列源表的精密耦合特点相对分散的仪器具有许多优点,在提供输出精准的电压源、电流源的同时,它可测量电流、电压和电阻值,具有极短的测试反应时间。极快的测试反应速度,可以保护被测设备在偶尔过载、热失控等情况下不被损坏。 四象限工作,可作为源或负载 四象限:电源象限是指以电源输出电压为X轴、输出电流为Y轴形成的象限图。**、三象限即电压电流同相,设备对其它设备供电,称为源模式;**、四象限即电压电流反向,其它设备对源表放电,被动吸收流入的电流,且可为电流提供返回路径,称为阱模式。
I-V特性分析 通常对被测物进行I-V特性分析需要使用高灵敏电流表、电压表、电压源和电流源,对这些必备仪器分别进行编程、同步、连接、测量和分析,过程既复杂又耗时,还需占用过多测试台空间。 N2600系列可极大地简化测试流程,缩小机架空间。且各型号数字源表均提供4象限工作,工作在第1和第3象限时,作为电源向负载输出功率;工作在第2和第4象限时,作为阱(负载)吸收能量。在源或阱模式下都能测量电压、电流和电阻,是材料研究、电子器件、半导体等被测物进行I-V特性分析的理想选择。
功率包络图 与传统矩阵电源不同,N2600系列源表在同等功率下,客户可根据实际需求,选择大电压小电流或小电压大电流输出。选择不同的量程,N2600系列源表的源/阱极限也有区别。 N2600-020-01源/阱极限:±21V@±1.05A N2600-200-01源/阱极限:±21V@±1.05A ±210V@±105mA
线性扫描和对数扫描 N2600系列集成线性扫描、对数扫描模式,扫描方案通过设定函数关系及保护点后自动运行,极大加快了测试效率。 两种基本扫描波形可设置为单事件或连续工作,非常适用于I/V、I/R、V/L和V/R特性分析。 -线性阶梯扫描:从起始电压到终止电压使用相等的线性步长的扫描 -对数阶梯扫描:从起始电压到终止电压使用单位自变量的变化率为对数的扫描
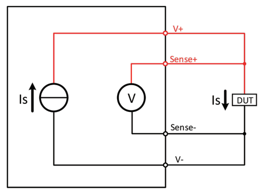
2/4/6线制电阻测量 高精度数字万用表支持多种方式测量电阻,不同的测量方法会影响测量精度。N2600系列数字源表集成高精度数字万 用表测量功能,不仅支持高精度电压、电流测量,还支持2/4/6线制电阻测量,适用于多种测试场景。 2线制电阻测量:2线制电阻测量适用于测试引线的电阻远远小于被测电阻的测试场景,不考虑测试引线带来的压降损耗。
4线制电阻测量:4线制电阻测量适用于测量低阻值电阻,N2600系列数字源表具备自动校正功能,能够消除引线影响。
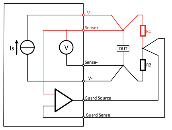
6线制电阻测量:当测量的电阻与其他电阻并联时,其他电阻会分流,影响测试。N2600系列数字源表使用6线制电阻测量可实现电阻器在PCB板原位上进行测量。
自动化以提高生产测试效率 N2600系列数字源表能在提供超高精度电压源和电流源的同时进行高精度测量,无需更改连接或使用其他设备,极大地提高了生产测试效率。同时为满足生产应用所需的吞吐率要求,数字源表具有许多内建功能,能运行复杂的测试序列,无需速度较低的计算机控制或GPIB通信。 大尺寸LCD高清显示屏 N2600系列数字源表配有4.3英寸LCD高清显示屏,相比传统VFD显示板,LCD高清液晶显示屏具有耗电量低、体积小、辐射低等优点,结合专业化界面设计,操作简单,测量内容显示更加直观、全面。
远程控制,便于系统集成 NGI为客户免费提供标准PC控制软件,可满足多种应用场景测试需求。N2600系列数字源表配备LAN、RS232通信接口,支持SCPI/Modbus指令,在配备NE101通讯转换器的情况下还可支持GPIB系统。N2600系列数字源表大量兼容传统SMU(例如2400)命令,便于系统集成,减少代码转换工作。
应用领域
产品尺寸
|
相关产品
|
















